机械设计中如何选择公差表面粗糙度等
如何在机械设计中选择尺寸公差、形位公差和表面粗糙度等参数?

一般来说,先确定尺寸公差,再确定形位公差。公差配合的合理首先是功能需要,其次是加工的工艺性,最后是装配和维修的工艺性。
举个例子来说吧,配合来说,都是讲孔轴配合,这个不一定是圆的孔和轴,可以是方的,但是通常为什么是圆的呢,加工方便。传统加工方式如车加工、铣加工、钻床、磨加工,多数是圆形的加工方式,现在随着激光切割和线切割的普及(成本低了),异形孔的应用也多了。
既然传统方式的加工都是圆形加工,孔轴配合的选择就会有基孔制或基轴制的选择了。通常,我们孔的加工是钻孔、铰孔、铣刀直接成型。这样,加工的时候为了方便,我们的尺寸选择方面,就应该选择有现成刀具(钻头、铰刀、铣刀)尺寸的,比如直径14的刀具比较少见,就选择12或15、16的有方便购买的规格,这样,加工成本就很低了,比如选直径30的不选27的,尽管你计算需要27就够了。

公差方面,这样加工孔(不管是平板上的孔还是圆管上的孔),公差带尽可能选加(正)公差,因为特殊公差的刀具很贵很难买,加工的时候刀具旋转时候的抖动(设备精度之一)就会导致加工出来的尺寸略大于刀具直径。这时候轴的加工就通常是车加工出来的,不受刀具精度限制,所以,基孔制是成本低的选择(就是工艺性好)。
这时候,如果你设计的轴是电机输出轴,那就只能基轴制了,或者是与轴承外圈配合的,也只能选择基轴制的配合。
配合怎么选呢,就是说间隙配合、过渡配合、过盈配合这三个什么时候选用。简单说来是这样,不重要、不影响装配后的精度(如会有螺丝连接紧固的)选择间隙配合就可以,转动方向是单向、且是连续的工作状态,就是间隙配合即可,至于间隙大小的选择,看装配的难度了,越松就越容易装配。
举个例子,如果是单向间歇运转且转动位移要求精度不高、转速不高的带平键的孔轴配合,也可以选择间隙配合,但是需要有两个90度的相间隔的紧定螺钉紧定定位。如果是有键配合的,其中一个紧定螺钉要锁在平键的上面。
同样是旋转来说,如果是单向间歇旋转的,或者正反向运动的,选择过渡配合,这时候也需要有紧定螺钉,如果是传递较大扭矩的,这时候一般会选择过盈配合了,这通常需要压装甚至热套装配了。
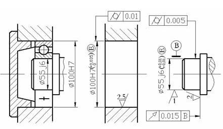
形位公差是尺寸公差的补充,所以其公差带的选择应该是小于尺寸公差的,否则就没有意义了。
形位公差,一定要理解形位公差的意义,这时候你才能做出正确的选择和需要控制的内容和尺度。
比如一个工件,宽度的公差是0.2mm,那么这个宽度两边的平面如果给个平行度要求,那就需要小于0.2mm,否则就失去意义了,很多时候,这个宽度的公差要求并不高,但是平行度要求很高,可能会是0.05mm,那么这个这个平行度就很重要了,通常是对装配有重要影响的。

再说说粗糙度
这东西更悬,我也是很久才懂得。通常,一般的机械加工基本达到12.5,对机加工来说,这是比较粗糙的了,这种要求,对外观要求不高可以采用,我建议做普通加工件的未注要求可以,比如钣金件的剪板机剪切口等,个人认为没有什么(公差)要求的可以采用这个值,如果好一些就6.3,这些车、铣、都能容易达到,3.2、1.6、或更小粗糙度就需要磨加工了,这意味着成本上升,所以,如果没有更高要求,3.2以内就好了,3.2的公差带需要0.01的精度等级用了,0.05的6.3也可以。
问题是,为什么要做的那么光,这涉及到有效接触面的大小,和紧固、耐磨、受力有直接关系。像我这里加工的轴承滚子接触的面,需要超精加工,其实就是抛光处理,目的就是获得更好更均匀的受力。机械密封方面也是这样需要粗糙度要求较高。
